云南某公司2#水泥磨生產系統節能降耗技改EPC總包項目,由山東棱角建材科技有限公司(以下簡稱“山東棱角”)承接,自2021年4月25日定標開始,山東棱角經過初設、設備選型、訂貨、施工圖紙設計、土建施工、設備及非標制作安裝、停機對接、投產調試等階段,涵蓋配料系統、粉磨系統、入庫系統、配電系統、DCS操控系統等整個水泥磨生產系統升級改造,總工期5個半月,與磨機系統安裝對接,實際停機28天達到帶料調試要求,14天的調試消缺,達標達產,經過1個月的考核驗收,各項指標均達到既定要求,超過業主預期。2021年11月28日,業主方安全生產標準化一級企業評審以91.6分高分通過,其中包含本技改項目,至此技改項目完美收官。該公司也成為當地水泥行業首家安全生產標準化一級企業,標志著其安全生產管理邁向新的發展階段。
項目簡述:
該項目技改前,輥壓機系統配置120/50輥壓機、Y280S-6打散分級機,磨機Φ3.2米*13米(邊緣傳動),配置N2000 O-Sepa選粉機、高濃度收塵器組成輥壓機聯合粉磨系統;受系統配置制約,磨機平均臺時(PO42.5)85t/h,系統能耗偏高。技改后,利用原有水泥磨,在現有磨房西北側新建輥壓機系統框架,并新建二層電力室,以滿足技改后設備供電需求;選用160/140輥壓機+高效動態選粉機組成輥壓機閉路系統,選用磨機(利舊)+高效渦流組合選粉機組成水泥磨閉路系統;改后2#水泥磨系統形成雙閉路輥壓機半終粉磨工藝,并生產出合格水泥,實現了業主方利用短暫市場淡季完成技改工程對接投產的計劃,有力的保證了業主方生產經營不受影響。
山東棱角建材科技有限公司調試人員按照對該系統“一個中心,兩個平衡”的深刻把握,很快摸索出最佳操作參數。調試期間PO42.5水泥平均臺時174.5噸,最高達到197噸,平均電耗25.59kwh,質量穩定合格。調試中發現原材料粒度大于80mm居多,如果滿足輥壓機入料要求,臺時會穩定在180噸以上,電耗會進一步降低。實踐證明該系統設計先進,工藝順暢,實現了低投資高回報的最佳投資收益比。



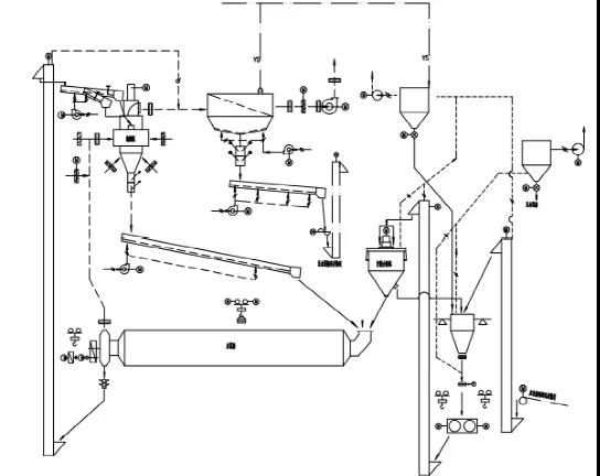
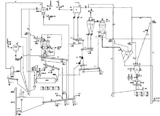
一、工藝流程技改前后對比


二、主機設備技改前后對比

三、生產指標技改前后對比



四、技改過程時間節點控制比

結束語:山東棱角近三年來承接了山東某公司100萬噸/年水泥粉磨站EPC工程、云南某公司2#水泥磨系統節能降耗技改EPC工程,在項目初設、設備選型、圖紙設計、土建施工、設備安裝、非標制安、生產調試等,把控項目的各個階段,安全施工、嚴把質量、緊扣工期節點,均超額完成項目預期指標,向業主遞交了滿意答卷,展現了山東棱角建材科技有限公司從設計、建設到調試“一條龍”綜合服務的優異能力。
技改咨詢:
張總:18910037609(微信同號)
李總:18615287270
微信:dayingiong186788



